深耕行業十數載,累計服務超過10W+客戶,WiFi模組、藍牙模組、電源模塊等產品遠銷80多箇國家和地區,爲客戶提供專業可靠的IoT模塊產品、強大的技術支持和貼心的售後服務保障,產品廣泛的應用於智能家居、智能醫療、智能辦公、汽車電子及工業控制等領域。

微信掃碼諮詢
微信掃碼前往商城
簡介:
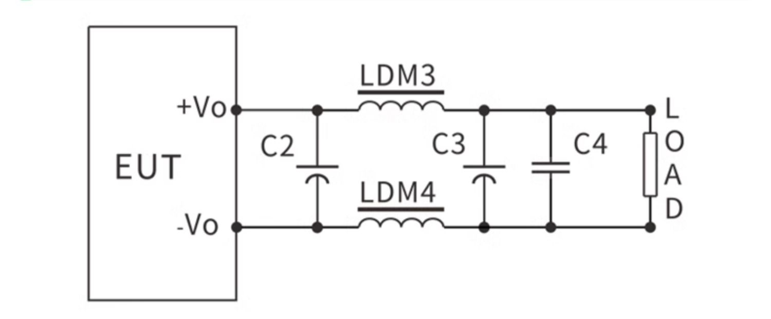
UR(A)B_ZP-10MR3 系列產品輸出功率爲 10W,4:1寬電壓輸入範圍,效率高達 91%,1500VDC 的常規隔離電壓,允許工作溫度-40℃to+85℃,具有輸入欠壓保護,輸出過壓、過流、短路保護功能,裸機滿足 CISPR32/EW550320LASA,廣泛應用於醫療、工控、電力、儀器儀表、通信、鐵路等領域。
特點:
超寬範圍輸入(4:1),輸出10W
轉換效率 91%(TXR)
隔離電壓 1500Vdc(典型值)
超低待機功耗:0.036W
超快速啓動:1ms(典型值)
工作溫度範圍:-40°C~+85°C輸入欠壓,輸出短路,過流,過壓
金屬外殼,輸出紋波低
國際標準引腳,PCB 板直插安裝







