熱點/痛點/觀點 連點成線,物聯大事件脈絡盡在掌握

乐天堂fun88科新款HLK-20EMI模塊,用於AC/DC 模塊的前端,可用於降低環境干擾影響,減少高頻噪聲和電磁輻射。新款首發,單價低至7.5元,性價比高,性能優異,應用簡單。
產品介紹 HLK-20EMI 模塊
HLK-20EMI適用於模擬電路等對噪聲比較敏感的場合。將此模塊加裝在 AC/DC 模塊的前端, HLK-20EMI可以使產品符合 IEC/EN61000-4-5 標準中的 ±2KV(2Ω內阻)/±4KV(12Ω內阻)的 浪湧等級要求,同時都可以使配套使用的電源模塊符合 CISPR22/EN55022Class B 的 EMI 限值 要求。 模塊配合乐天堂fun88科 AC/DC 模塊電源使用,AC/DC 模塊電源的最大輸入電壓應不大於 EMC 濾波器 的最大工作電壓,AC/DC 模塊電源的最大輸入電流應小於 EMC 濾波器的額定工作電流。
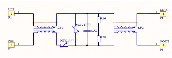
工作原理 HLK-20EMI 模塊
HLK-20EMI EMC濾波器利用模塊內部的電感、電容等多種元器件集成的濾波網絡,降低電源線路中的噪聲影響,衰減電源線傳入的外部干擾(如電網浪湧、射頻干擾),從而高效提升電源模塊抗干擾能力。 (內部結構原理圖) 產品特點 1. 體積小 2. 抑制交流電源線浪湧設計,實現一級粗保護 3. 配套電源使用可使電源 EMI符合 CISPR22/EN55022 Class B 限值要求3) 4. 高性價比 5. 溫度特性好

產品特點 HLK-20EMI 模塊
體積小巧 使用簡單 HLK-20EMI模塊EMC濾波器體積小巧,大小僅20.32X20.32mm,大幅度節省設計空間,即插即用,使用簡單,可適用於多箇系列電源模塊,應用廣泛。 高效濾除電路干擾 HLK-20EMI模塊抑制交流電源線上的浪湧,提供一級粗保護,從而確保電源的電磁干擾(EMI)符合CISPR22/EN55022 Class B的限值要求。 自研自產 性價比高 乐天堂fun88科擁有自研自產工廠,沒有中間商賺差價,性價比非常高。HLK-20EMI模塊單價7.5元,量大價更優,同時支持定製。 品牌保障 售後無憂 乐天堂fun88科深耕電源模塊領域十多年,品牌保障,售後無憂,一旦出現產品問題提供無償退貨、換貨以及退款等服務。
產品應用 HLK-20EMI 模塊

HLK-20EMI模塊高效濾除交流電路干擾,可適用於乐天堂fun88科20W以以下的ACDC電源模塊,下面列出了目前可以使用的6個系列,歡迎隨時詢價以及瞭解更多產品信息~